Shenzen CE-temp Technology Co., Ltd.

服务热线 0755-29378992

 Best infrared thermometer application solution

产品中心

Product

激光焊接专用测温控制系统CELW400/600/1600/PID
    发布时间: 2019-02-21 14:50    

温度量程:60℃~1600℃(分段)
响应时间<1ms
可编程PID控制,周期<0.3ms

激光焊接专用测温控制系统CELW400/600/1600/PID
主要参数:
  • 焦距出厂可定制
  • 温度量程:60℃~1600℃(分段)
  • 响应时间<1ms
  • 可编程PID控制,周期<0.3ms
  • 采用短波段的探测器,适用于金属加工
  • 无须冷却探头可耐温达85℃
  • 短波段的探测器可以有效降低发射率设置
  • 导致的测量偏差

技术参数:

测量参数     
  • 测温量程:
           CELW-400       60℃ ~400℃   
           CELW-600       110℃ ~600℃
           CELW-1600      400℃ ~1600℃
  • 镜头焦距: 焦距出厂定制
  • 系统精度: ±2°C或被测温度的±1%,取大值
  • 重复精度: ±1°C或被测温度的±0.5%,取大值
  • 温度分辨率: 0.1℃
  • 响应时间(90%能量): 1ms
  • 发射率: 0.100~1.100(可调节)
  • 透过率: 0.100~1.100(可调节)
  • 信号处理: 可选软件
电参数
  • 测量输出: mA,mV
  • PID控制输出: mA,mV
  • 数字输出: USBRS485通讯选件
  • 电缆长度: 3m(标准),8m,15m
  • 电源: 24VDC,1A
  • 输出负载: 0~500Ω
基本参数
  • 环镜等级: 探头:IP 65 (NEMA-4)
  • 环镜温度: -25℃ ~85℃
  • 存储温度: -40℃ ~125℃
  • 相对湿度: <90%RH(无凝结水)
  • 重量: 探头: 320g;  处理器:1000g

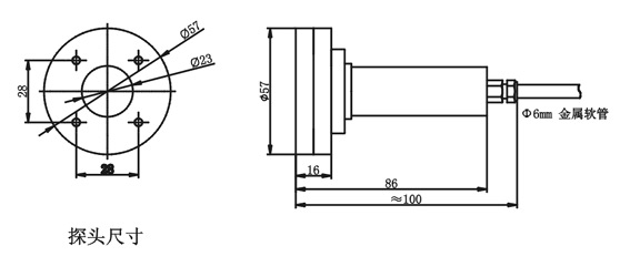
探头尺寸: